余压监控系统可通过控制旁通阀的开闭,将机械加压送风系统的余压值有效控制在国标要求的合理范围内——防烟楼梯间40-50Pa,前室、合用前室、消防电梯间前室、封闭避难层(间)为25-30Pa。这样既阻止了有害烟气的进入,也确保了防火门在需要人员疏散时可以正常开闭。
余压监控系统由余压监控器(主机)、余压控制器、余压探测器、风阀执行器、系统监控专用软件等部分或全部设备组成。以下为某品牌预压检测系统设备的系统结构与应用图例,供参考。
1余压监控系统结构
设计说明
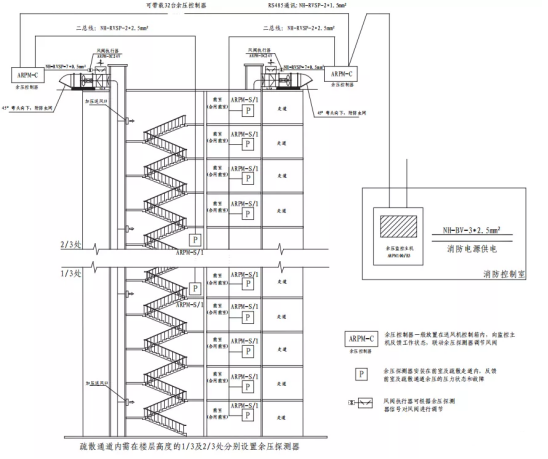
1)余压监控器(主机)与余压控制器之间是485通讯,连接方式为手拉手连接,线型NH-RVSP-2*1.5mm2,通讯距离为500米;
2)主机支持2路RS485通讯回路,每条回路可连接32个余压控制器;
3)余压控制器与余压探测器之间为二总线通讯,通讯距离500m,线型NH-RVSP-2*2.5mm2;
3)一只余压控制器可带120个余压探测器。
2余压监控应用图例
2.1疏散通道余压监控系统图
疏散通道及前室余压监控系统图
2.2监控系统配电图
2.3探测器平面图
余压探测器平面示意图
注∶
1)前室每层均设余压探测器;
2)楼梯间在约1/4和3/4高度处各设置一台余压探测器;
3)引压用的气管可根据现场实际情况装于墙面或吸顶安装均可;
4)余压深测器通过N-IYSP-2x2.5m2-SC20-C,沿楼板垂直敷设至风间控制箱。
2.4探测器立面安装示意图
上一篇:余压监控系统的主要设计依据
下一篇:为什么建筑物需要安装余压监控系统
